东莞市远控自动化控制技术有限公司 •

产品选型指导 资料下载 产品定制 18676950315

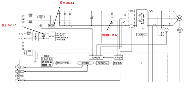
松下伺服Err11.0控制电源不足电压保护的原因与处置方法?

应用产品:

产品特点:松下伺服Err11.0控制电源不足电压保护的原因与处置方法?


产品特点

原因
驱动器控制电源的整流部P-N间电压低于规定值。
报警不会留下履历。
AC输入后,通过二极管整流的DC部分电压进行检出。
检出等级:100V产品:DC70V(AC50V相当)
          200V产品:DC145V(AC100V相当)
          400V产品:DC15V
■处置
发生时,确认控制电源输入的电压、配线的接触不良•断线、电源的容量。
特别是多轴同时使用的情况下发生问题时,由于电源容量不足,需分块控制,依次给电。




需求留言